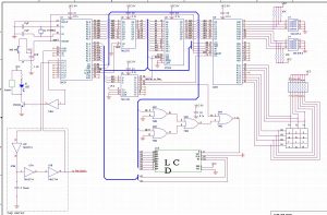
דוגמא לסכמה תקנית

כתיבת תגובה

Social Share Buttons and Icons powered by Ultimatelysocial
YouTube
YouTube
Set Youtube Channel ID